GE IS200TTURH1CED
  • GE IS200TTURH1CED GE IS200TTURH1CED
  • GE IS200TTURH1CED GE IS200TTURH1CED
  • GE IS200TTURH1CED GE IS200TTURH1CED

GE IS200TTURH1CED

브랜드: GE
설명: 출력 터미널 보드
조건: 아주 새로운
인증서: COO 테스트 보고서 보증서
보증: 1년
재고 수량: 14
지불 기간: T/T
배송 포트: 샤먼
GE IS200TTURH1CED는 General Electric의 고급 Mark VIe 및 Mark VIeS 터빈 및 프로세스 제어 시스템을 위해 설계한 신뢰성이 높고 안전한 터빈별 마스터 트립 출력 단자 보드입니다. Mark VIe 분산 I/O 아키텍처의 주요 안전 구성 요소인 이 보드의 핵심 임무는 컨트롤러에서 되돌릴 수 없는 최종 종료 명령을 실행하는 것입니다.

문의 보내기

제품 설명

제조
GE
모델 번호
IS200TTURH1CED
주문번호
IS200TTURH1CED
목록
마크 6세
원산지
미국
HS코드
8479909090
차원
233×160mm
무게
0.32kg

제품개요

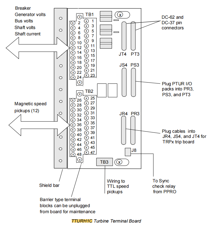
GE IS200TTURH1CED는 General Electric이 고급 Mark VIe 및 Mark VIeS 터빈 및 프로세스 제어 시스템을 위해 설계한 신뢰성이 높고 안전한 터빈별 마스터 트립 출력 단자 보드입니다. Mark VIe 분산 I/O 아키텍처의 주요 안전 구성 요소인 이 보드의 핵심 임무는 컨트롤러에서 되돌릴 수 없는 최종 종료 명령을 실행하는 것입니다. IS200TTURH1CED는 프로세스 터빈 특정 1차 트립 I/O 프로세서 모듈로부터 전자 신호를 수신하고 내부적으로 통합된 대용량 및 고신뢰성 전자기 릴레이를 통해 연료 차단 밸브, 유압 트립 솔레노이드 밸브, 발전기 회로 차단기 트립 코일과 같은 주요 액추에이터에 전원 회로를 물리적으로 차단하거나 연결함으로써 가스터빈, 증기 터빈과 같은 핵심 전력 장비의 안전하고 신속하며 안정적인 종료를 달성합니다. 이 보드는 단순한 릴레이 보드가 아닙니다. 이는 물리적 세계에서 전체 안전 계기 시스템 기능을 궁극적으로 실행하는 장치입니다. Fail-Safe 원칙에 따라 설계되었으며 인력, 장비 및 환경의 안전을 보장하는 최후의 방어선입니다.

제품 기능 특징

궁극의 안전 기능 실행 - 메인트립

TTURH1CED는 보호 로직의 최종 물리적 실행 단위입니다. Mark VIe 컨트롤러가 장비의 안전을 위협하는 조건을 감지하면 PTUR 모듈에 트립 명령을 보냅니다. 그런 다음 PTUR은 TTUR 보드의 릴레이를 구동하여 연료 공급을 직접 차단하거나 기계적 트립을 트리거하여 밀리초 내에 비상 차단을 달성합니다.

삼중 중복 아키텍처 지원

3채널 디자인은 Mark VIe TMR 시스템과 완벽하게 일치합니다. 3개의 독립적인 컨트롤러 채널이 각각 하나의 릴레이를 제어합니다. 두 개 이상의 채널이 동시에 트립 명령을 내리는 경우에만 최종 트립 회로가 활성화됩니다. 이 설계는 시스템의 가용성과 안전성을 크게 향상시킵니다.

내장된 고급 진단으로 치명적인 오류를 방지

명령/피드백 비교 진단은 핵심 지능형 기능입니다. GE IS200TTURH1CED는 컨트롤러가 트립을 원한다는 사실을 알려줄 뿐만 아니라 트립이 되었는지도 확인합니다. 이 폐쇄 루프 진단은 단일 동작과 심각한 결과를 가져오는 중요한 기능인 주 트립 회로의 장기적인 신뢰성을 보장하기 위한 초석입니다.

오류 방지 설계

전체 트립 회로의 설계는 오류 안전 원칙을 따릅니다. 이는 전력 손실, 케이블 파손 또는 릴레이 오류가 발생하는 경우 시스템이 자동으로 안전한 상태로 전환됨을 의미합니다. 예를 들어, 연료 차단 밸브는 일반적으로 페일클로즈(Fail-Closed)로 설계되며, TTUR 보드의 릴레이는 정상 작동 시 밸브를 열린 상태로 유지하기 위해 전원이 공급되고 제자리에 고정됩니다. TTUR 보드의 전원이 꺼지거나 트립 명령을 받으면 릴레이가 해제되고 스프링의 작용에 따라 밸브가 닫힙니다.


관련 상품 추천

동반 I/O 프로세서 모듈

IS200PTURH1A 터빈별 메인 트립 I/O 프로세서 모듈은 TTURH1CED의 두뇌입니다.

이전 세대 대응 제품

Mark VI VTUR I/O 보드 + TRPXH1B 터미널 보드, IS200TTURH1CED는 Mark VIe의 IS200TTURH1CED의 직접적인 전신입니다.

제어식 작동 메커니즘

GE SV8/SV12 연료 차단 밸브

유압 트립 오일 시스템(Trip Oil System) 솔레노이드 밸브

발전기 콘센트 회로 차단기(GCB)의 트립 코일

핫 태그:

관련 카테고리

문의 보내기

문의사항은 아래 양식으로 부담없이 보내주세요. 24시간 이내에 회신해 드리겠습니다.
X
당사는 귀하에게 더 나은 탐색 경험을 제공하고, 사이트 트래픽을 분석하고, 콘텐츠를 개인화하기 위해 쿠키를 사용합니다. 이 사이트를 이용함으로써 귀하는 당사의 쿠키 사용에 동의하게 됩니다. 개인 정보 보호 정책
거부하다 수용하다