GE IS200TBAIH1CDD
  • GE IS200TBAIH1CDD GE IS200TBAIH1CDD
  • GE IS200TBAIH1CDD GE IS200TBAIH1CDD
  • GE IS200TBAIH1CDD GE IS200TBAIH1CDD

GE IS200TBAIH1CDD

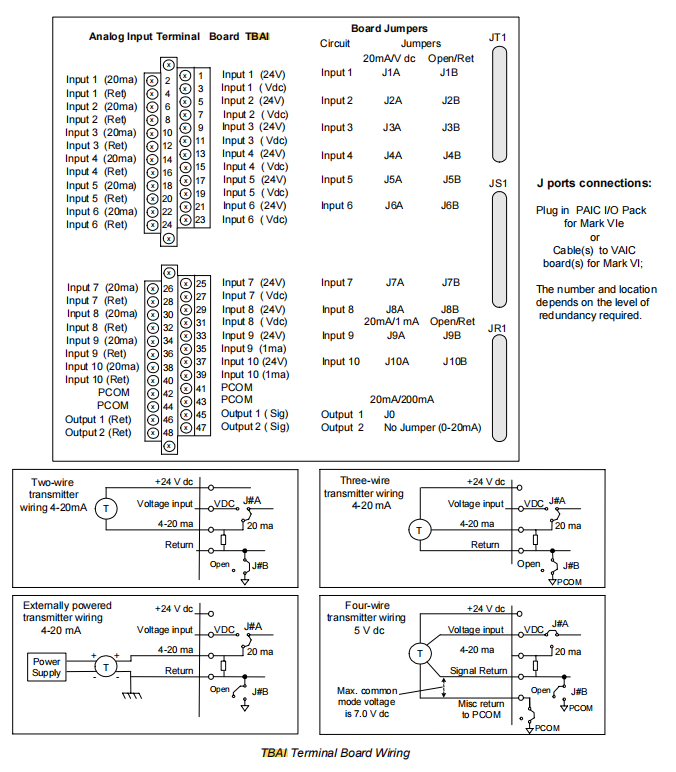
GE IS200TBAIH1CDD는 General Electric이 고급 Mark VIe 및 Mark VIeS 터빈 및 공정 제어 시스템을 위해 설계한 16채널 아날로그 입력 터미널 보드입니다. 이 보드는 Mark VIe I/O 시스템 아키텍처의 주요 물리적 인터페이스 구성 요소입니다.

문의 보내기

제품 설명

제조
GE
모델 번호
IS200TBAIH1CDD
시리즈
마크 VI
원산지
미국
HS코드
8504902000
차원
20*5*5cm
포장 치수
20*5*5cm
무게
0.7kg

제품개요

GE IS200TBAIH1CDD는 General Electric이 고급 Mark VIe 및 Mark VIeS 터빈 및 공정 제어 시스템을 위해 설계한 16채널 아날로그 입력 터미널 보드입니다. 이 보드는 Mark VIe I/O 시스템 아키텍처의 주요 물리적 인터페이스 구성 요소입니다. 핵심 기능은 현장 장비와 제어 시스템의 내부 I/O 처리 모듈 간에 안전하고 신뢰할 수 있으며 표준화된 전기 연결을 설정하는 것입니다. IS200TBAIH1CDD는 신호 처리나 변환을 수행하지 않습니다. 전원이 공급되지 않는 고밀도 배선 허브입니다. 현장에서 발생하는 4-20mA 또는 ±10V DC와 같은 표준 아날로그 신호는 차폐 케이블을 통해 이 터미널 보드에 연결되고, 신호는 전용 고밀도 리본 케이블을 통해 제어 캐비닛의 I/O 랙에 설치된 VAIC 모듈로 전송됩니다. 이 "터미널 보드 + 리본 케이블 + I/O 카드" 분리 설계는 Mark VIe 시스템의 특징이며 현장 배선, 시스템 유지 관리 및 오류 문제 해결을 크게 단순화합니다.

제품 특징 및 장점

시스템 신뢰성의 초석인 "물리적 계층"과 "전자 계층"의 완전한 분리 달성

산업 환경에서는 배선 오류, 케이블 단락 및 유도된 전압 서지가 일반적인 결함 원인입니다. 패시브 터미널 보드인 TBAI는 최초의 "방화벽" 역할을 합니다. 현장에서 발생하는 모든 전기적 결함은 터미널 보드와 연결된 케이블로 제한되며 값비싸고 정밀한 VAIC I/O 프로세서 모듈로 직접 전파되지는 않습니다. 극단적인 조건으로 인해 터미널 보드가 손상되더라도 교체 비용과 시간은 복잡한 신호 조정 회로와 ADC 칩이 통합된 I/O 카드를 교체하는 것보다 훨씬 저렴합니다.

저잡음 제어 전자 장치 영역에서 고잡음 필드 배선 영역을 물리적으로 분리함으로써 Mark VIe 시스템의 EMC 설계가 단순화되었습니다. VAIC 모듈은 제어 캐비닛 내에서 더 깨끗하고 더 나은 차폐 위치에 배치될 수 있으며, TBAI 보드는 모든 더러운 필드 연결을 처리합니다. 이 분할 전략은 전체 I/O 시스템의 간섭 방지 기능을 크게 향상시킵니다.

혁신적인 캐비닛 외부 유지 관리 모드는 운영 효율성을 높여줍니다.

GE IS200TBAIH1CDD는 프로젝트 시운전, 일일 검사부터 결함 처리 및 장비 주요 점검에 이르기까지 전체 수명주기 동안 유지 관리가 용이합니다. 유지보수 담당자가 주 제어 캐비닛 도어를 열 필요가 거의 없습니다. 계측기 엔지니어는 터미널 보드에서 모든 작업을 독립적으로 완료할 수 있습니다.

신호 주입은 신호 발생기를 사용하여 표준 4-20mA 신호를 터미널에 주입하여 터미널 보드에서 HMI까지의 전체 신호 체인이 정상인지 확인합니다.

제어 시스템 작동에 영향을 주지 않고 현장 송신기의 영점/범위를 교정하려면 장비 출력 라인을 분리하고 교정 장비를 터미널에 직접 연결하십시오.

AI 신호가 비정상일 경우 엔지니어는 먼저 터미널 보드에서 신호를 측정합니다. 신호가 정상이라면 시스템 측에 문제가 있는 것입니다. 신호가 비정상이라면 문제는 현장 측에 있는 것입니다. 이 "바이너리 위치 지정 방법"은 평균 오류 복구 시간을 50% 이상 줄입니다.

핫 스와핑 작업 지원 중복 VAIC 모듈로 구성된 Mark VIe 시스템에서 TBAI 터미널 보드 자체를 교체해야 하는 경우 꼬인 케이블에서 분리하고 시스템이 실행되는 동안 교체할 수 있으므로 엄격한 안전 절차에 따라 진정한 "다운타임 제로" 유지 관리가 달성됩니다.



제품의 진화와 기술개발

GE I/O 아키텍처의 진화는 통합에서 분리, 그리고 인텔리전스로의 경로를 명확하게 보여줍니다.

DCS/PLC 초기에는 I/O 카드를 직접 연결하는 것이 일반적인 접근 방식이었지만 유지 관리가 어렵고 위험도 높았습니다.

Mark VIe 시대에는 완전히 분리된 혁신적인 I/O 아키텍처가 도입되었습니다. TBAI/TBAO 터미널 보드의 출현은 엔지니어링 실무에서 유지 관리 가능성과 신뢰성을 극도로 추구한 결과였습니다. 이 설계 개념은 매우 성공적인 것으로 입증되었으며 다른 많은 고급 DCS 제조업체에서 채택했습니다.

현재와 ​​미래의 Mark VIeS 및 그 이후:

이 아키텍처는 Mark VIeS 시스템의 완벽하게 계승된 성숙하고 안정적인 분리 아키텍처를 이어갑니다. TBAI 터미널 보드의 역할은 변하지 않았습니다.

현재 지능형 단말기는 수동적이지만 업계 추세는 능동형 지능형 단말기를 지향하고 있습니다. 미래의 터미널 보드에는 IO-Link 마스터 스테이션 또는 HART 멀티플렉서가 통합되어 주요 신호를 전송할 수 있을 뿐만 아니라 기기의 진단 및 구성 정보도 읽을 수 있습니다.

무선화 보완 사항은 중요하지 않거나 배선이 어려운 모니터링 지점을 위한 것입니다. 무선 송신기는 유선 TBAI를 강력하게 보완하고 있지만 중요한 제어 루프는 여전히 주로 유선으로 구성됩니다.


핫 태그:

관련 카테고리

문의 보내기

문의사항은 아래 양식으로 부담없이 보내주세요. 24시간 이내에 회신해 드리겠습니다.
X
당사는 귀하에게 더 나은 탐색 경험을 제공하고, 사이트 트래픽을 분석하고, 콘텐츠를 개인화하기 위해 쿠키를 사용합니다. 이 사이트를 이용함으로써 귀하는 당사의 쿠키 사용에 동의하게 됩니다. 개인 정보 보호 정책
거부하다 수용하다